产品展示 | 联系我们
全国咨询热线:0512-58771038
您的位置: 首页>产品选型
产品选型

联系我们contact us

张家港市凯尔圣仪表有限公司
地址:江苏张家港市金港工业园东区学田路
联系人:成先生
电话:0512-58771038
手机:15150235959

产品选型

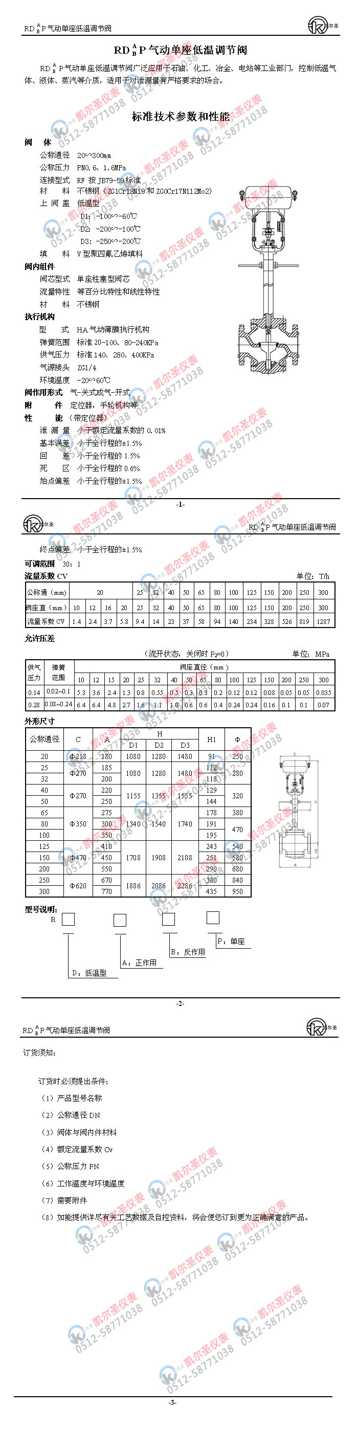
RDA BP气动单座低温调节阀

时间:2021-12-18 11:19:16 来源:本站 点击:884次

RDA BP气动单座低温调节阀.jpg

在线客服
联系方式

热线电话

0512-58771038

上班时间

周一到周五

手机号码

15150235959

二维码
线